ABS Encapsulated Window Type CT's
HSN Code: 85043100
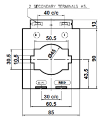
Technical Specifications:
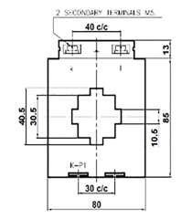
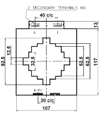
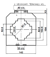
| Model | REC-04 | REC-06 | REC-07 | REC-08 |
|---|---|---|---|---|
| Drawing | ![]() |
![]() |
![]() |
![]() |
| Primary Current in Amps | 100-600 | 400-2000 | 400-4000 | 1000-6000 |
| Secondary Current in Amps | 1.0 - 5.0 | 1.0 - 5.0 | 1.0 - 5.0 | 1.0 - 5.0 |
| Burden in VA | 2.5/5/7.5/10/15/20/30 | 5/7.5/10/15 | 5/10/15/30 | 5/10/15/30 |
| Accuracy Class | 3.0, 1.0 and 0.5 | 1.0 and 0.5 | 1.0 and 0.5 | 1.0 and 0.5 |
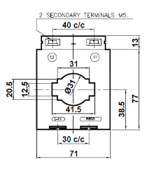
| Model | REC-09 | REC-031 | REC-041 | REC-051 |
| Drawing | ![]() |
![]() |
![]() |
![]() |
| Primary Current in Amps | 1000-6000 | 50-750 | 50-750 | 50-750 |
| Secondary Current in Amps | 1.0 - 5.0 | 1.0 - 5.0 | 1.0 - 5.0 | 1.0 - 5.0 |
| Burden in VA | 5/10/15/30 | 1/1.5/2.5/5/7.5 | 1.5/2.5/5/15 | 1.5/2.5/5/15 |
| Accuracy Class | 1.0 and 0.5 | 1.0 and 0.5 | 1.0 and 0.5 | 1.0 and 0.5 |








